
Desvendando o Clássico: Como Funciona o Pisca-Pisca com CI 555 (Modo Astável)
Introdução Se você está iniciando no mundo da eletrônica ou do desenvolvimento de sistemas embarcados,…
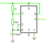
O Lendário 555: Anatomia de um Clássico da Eletrônica
Professor Washington Paiva Na eletrônica, componentes vêm e vão. Válvulas deram lugar a transistores, que…
CADe SIMU: O Guia Completo para Simular Comandos Elétricos (Download + Tutorial)
Para estudantes e profissionais da área elétrica, entender a lógica de comandos elétricos pode ser…
Guia Definitivo da Soldagem: Como Soldar e Dessoldar Corretamente (Nível Técnico)
Domine a soldagem! Aprenda o passo a passo para soldar corretamente, identificar soldas frias, curtos…
Como Funciona o Multivibrador Biestável com Transistores : Desvendando o Flip-Flop
Você já precisou de um circuito que, ao apertar um botão, ele permaneça ligado, e…
Multivibrador Astável (Pisca-Pisca): Uma Análise Técnica
Aprenda a fundo o multivibrador astável! Este artigo técnico detalha o funcionamento, componentes e cálculos…
Sensor de Luminosidade com LDR e Transistor: Análise e Cálculos
Este artigo explora o funcionamento de um circuito fundamental na eletrônica: o sensor de luminosidade…
Circuito com LDR e Transistor: Desvendando o Interruptor de Luz Automático
prenda passo a passo como funciona o clássico circuito com LDR e transistor BC547. Entenda…
Atividade Prática: Identificando os Terminais de um Transistor (NPN e PNP)
Objetivo Aprender a usar um multímetro para descobrir a pinagem (Base, Coletor, Emissor) de um…
Entendendo as Tomadas Elétricas: Um Guia para Eletricistas em Formação
Aprenda tudo sobre tomadas elétricas residenciais! Guia completo abordando tipos, cálculo de potência, aterramento e…













